Мотор-редукторы планетарные тип: 3МП-31.5, 3МП-40, 3МП-50, 3МП-63, 3МП-80, 3МП-100, 3МП-125 характеристики, устройство, принцип работы, стоимость. Город Краснодар, Краснодарский край

3МП-31,5; 3МП-40; 3МП-50; 3МП-63; 3МП-80; 3МП-100; 3МП-125
Мотор-редукторы серии 3МП представляют собой механизм на базе планетарной передачи. Мотор-редукторы изготавливаются одно-, двух- или трехступенчатыми. К станине оборудования редукторы крепятся на лапах или на опорном фланце. Выходные валы могут быть полыми, коническими или цилиндрическими. Тип крепления и вид вала указывается в маркировке привода. По отношению к другим типам мотор-редукторов, планетарные мотор-редукторы получили высокую популярность, так как имеют высокие показатели КПД и выдерживают большие перегрузки.

 

 

Техническое описание

Условия применения

Габаритные и присоединительные размеры

Размеры выходного вала

Технические характеристики

Монтажное исполнение

 

 

Техническое описание 3МП-31.5, 3МП-40, 3МП-50, 3МП-63, 3МП-80, 3МП-100, 3МП-125

Мотор-редукторы 3МП-31.5, 3МП-40, 3МП-50, 3МП-63, 3МП-80, 3МП-100, 3МП-125 относятся к группе приводов с планетарной передачей. Корпус редуктора изготовлен из чугуна, что позволяет использовать его в агрессивной среде. В виду особенности планетарного механизма, редуктор можно использовать в качестве мультипликатора.

 

УСЛОВИЯ ПРИМЕНЕНИЯ РЕДУКТОРОВ 3МП-31.5, 3МП-40, 3МП-50, 3МП-63, 3МП-80, 3МП-100, 3МП-125

  • Планетарный механизм может эксплуатироваться до 24 часов в сутки при условии отсутствия перегрева.
  • Допустимо и использовать привод с постоянной или переменной нагрузкой, не превышающей максимальный момент.
  • Внешняя среда не должна содержать токопроводящую пыль и взрывоопасные газы.
  • Мотор-редуктор предназначен для работы в условиях умеренного климата в пределах температурных режимов -45°С до +45°С.
  • Если мотор-редуктор планируется использовать вне помещения под открытым небом, требуется устанавливать навес, исключающий попадание воды в привод.

 

Крепление лапы G110

Внешний вид мотор-редуктора серии 3МП на лапах G110
Мотор-редукторы планетарные 3МП-31,5; 3МП-40; 3МП-50; 3МП-63; 3МП-80; 3МП-100; 3МП-125 крепление лапы G110

 

Крепление фланец G310

Внешний вид мотор-редуктора серии 3МП на фланце G310
Мотор-редукторы планетарные 3МП-31,5; 3МП-40; 3МП-50; 3МП-63; 3МП-80; 3МП-100; 3МП-125 крепление фланец G310

 

Габаритные и присоединительные размеры

 

G110 - на лапах

Габаритные и присоединительные размеры

Обозначение мотор-редуктора
Частота вращения выходного вала, об/мин
L
B
H
L 1
L 2
B 1
B 2
H 1
H 2
H 3
d1
Не более
3МП-25
3,55…16
397
150
160
63
110
120
150
80
12
-
12
18…90
417
160
171
-
112…280
478
200
205
20
3МП-31,5
3,55…16
460
190
215
86
130
155
190
100
15
-
15
18…90
510
200
225
-
112…280
590
250
247
25
3МП-40
3,55…16
500
224
247
110
170
180
220
112
22
-
20
18…90
625
250
247
-
112…280
725
350
305
63
3МП-50
3,55…16
637
270
295
145
210
220
266
132
22
-
22
18…90
682
270
295
-
112…280
925
350
360
43
3МП-63
3,55…16
652
350
345
147
230
260
325
160
32
-
24
18…90
741
350
345
-
112…280
960
400
440
-
3МП-80
3,55…16
810
380
400
175
325
320
380
200
40
-
35
18…90
915
380
420
-
112…280
1240
550
510
75
3МП-100
3,55…16
850
415
420
200
340
340
415
235
40
-
35
18…90
1080
415
485
-
112…280
1305
550
570
40
3МП-125
3,55…16
1070
500
540
270
380
400
500
275
50
-
42
18…90
1360
535
570
-
112…280
1415
590
630
20

 

G310 - фланцевое исполнение

4МЦ2С-63 G310 - фланцевое исполнение

Обозначение мотор-редуктора
Частота вращения выходного вала, об/мин
L
B
L 3
L 4
L 5
D
D 1
D 2
d 2
n
Не более
3МП-25
3,55…16
397
150
4
10
50
155
110
130
12
4
18…90
417
160
112…280
478
200
3МП-31,5
3,55…16
460
190
5
12
68
180
130
155
12
6
18…90
510
200
112…280
590
250
3МП-40
3,55…16
500
224
6
16
90
200
130
165
15
6
18…90
625
250
112…280
725
350
3МП-50
3,55…16
637
270
8
18
124
250
180
215
17
6
18…90
682
270
112…280
925
350
3МП-63
3,55…16
652
350
8
20
124
300
230
265
19
6
18…90
741
350
112…280
960
400
3МП-80
3,55…16
810
400
10
22
152
400
320
350
22
6
18…90
915
400
112…280
1240
550
3МП-100
3,55…16
850
500
14
28
180
500
400
450
22
8
18…90
1080
500
112…280
1305
550
3МП-125
3,55…16
1070
600
18
35
245
600
480
540
26
8
18…90
1360
600
112…280
1415
600

 

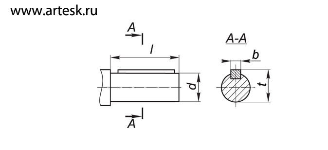
Размеры выходного вала


Цилиндрический вал - Ц

Цилиндрический вал - Ц

Мотор-редуктор
d
d1
l
l1
b
t
3МП-25
25
М16х1,5
60
42
5
13,45
3МП-31,5
28
М16х1,5
60
42
5
14,95
3МП-40
35
М20х1,5
80
58
6
18,55
3МП-50
45
М30х2,0
110
82
12
23,45
3МП-63
55
М36х3,0
110
82
14
28,95
3МП-80
70
М48х3,0
140
105
18
36,38
3МП-100
80
М56х4,0
170
130
20
41,25
3МП-125
110
М80х4,0
210
165
25
55,88

 

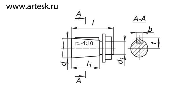
Конический вал - К

Конический вал - К

Мотор-редуктор
d
l
b
t
3МП-25
25k6
42
8
28
3МП-31,5
28k6
60
8
31
3МП-40
35k6
80
10
38
3МП-50
45k6
110
14
48,5
3МП-63
55k6
110
16
59
3МП-80
70k6
140
20
74,5
3МП-100
80k6
160
22
85
3МП-125
110k6
220
28
116

 

Полый вал - П

Полый вал

Мотор-редуктор
d
l
b
t
3МП-25
-
3МП-31,5
25Н7
55
8
28,1
3МП-40
30Н7
70
8
33,1
3МП-50
40Н7
80
12
43,3
3МП-63
-
3МП-80
-
3МП-100
-
3МП-125
-

 

Технические характеристики 3МП-31.5, 3МП-40, 3МП-50, 3МП-63, 3МП-80, 3МП-100, 3МП-125


Частота вращения выходного вала, об/мин
Крутящий момент, Нм
Передаточное число
Радиальная нагрузка, Н
Сервис-фактор
Тип мотор- редуктора
Электродвигатель IEC
0.12 квт
4.6
250
195.24
12900
3.3
 
3МП50
 
MS63M6
5.4
210
166.59
13000
3.9
6.2
186
145.67
13000
4.4
5.1
225
176.88
5760
1.35
 
3МП40
 
MS63M6
5.5
210
162.94
5830
1.45
6.4
178
139.99
5920
1.70
7.4
155
121.87
5980
1.95
7.8
147
176.88
6000
2.0
 
3МП40
 
MS63S4
8.5
135
162.94
6030
2.2
9.9
116
139.99
6070
2.6
11
101
121.87
6100
3.0
12
95
114.17
6110
3.2
14
84
100.86
6120
3.6
15
78
93.68
6130
3.9
6.7
172
134.82
5270
1.15
 
3МП31.5
 
MS63M6
7.3
157
123.66
5410
1.25
8.6
134
105.28
5600
1.50
9.9
116
90.77
5730
1.75
11
108
84.61
5770
1.85
12
94
73.96
5850
2.1
10
112
134.82
5750
1.80
 
3МП31.5
 
MS63S4
11
103
123.66
5800
1.95
13
87
105.28
5880
2.3
15
75
90.77
5930
2.7
16
70
84.61
5950
2.8
19
61
73.96
5980
3.3
0.18 квт
4.5
385
195.24
12500
2.1
 
3МП50
 
MS63L6
5.2
330
166.59
12700
2.5
6.0
290
145.67
12800
2.8
6.3
275
138.39
12900
3.0
7.2
240
121.42
12900
3.4
6.8
255
195.24
12900
3.2
 
3МП50
 
MS63M4
7.9
215
166.59
13000
3.8
9.1
190
145.67
13000
4.3
9.5
180
138.39
13000
4.6
7.5
230
176.88
5740
1.30
 
3МП40
 
MS63M4
8.1
210
162.94
5810
1.40
9.4
182
139.99
5910
1.65
11
159
121.87
5980
1.90
12
149
114.17
6000
2.0
13
131
100.86
6040
2.3
14
122
93.68
6060
2.5
16
111
84.90
6080
2.7
7.0
245
123.66
3060
0.80
 
3МП31.5
 
MS63L6
8.3
210
105.28
4840
0.95
9.6
179
90.77
5190
1.10
10
167
84.61
5310
1.20
9.8
176
134.82
5230
1.15
 
3МП31.5
 
MS63M4
11
161
123.66
5370
1.25
13
137
105.28
5580
1.45
15
118
90.77
5710
1.70
16
110
84.61
5760
1.80
18
96
73.96
5840
2.1
19
90
69.33
5870
2.2
22
80
61.18
5920
2.5
24
73
55.76
5940
2.8
27
63
48.08
5960
3.2
0.25 квт
4.1
585
166.59
11600
1.40
 
3МП50
 
MS80N8
4.7
510
145.67
12000
1.60
4.9
485
138.39
12100
1.70
5.6
425
121.42
12400
1.90
4.5
530
195.24
11900
1.55
 
3МП50
 
MS71MS6
5.3
450
166.59
12300
1.80
6.0
395
145.67
12500
2.1
6.7
360
195.24
12600
2.3
 
3МП50
 
MS63L4
7.8
305
166.59
12800
2.7
8.9
270
145.67
12900
3.1
9.4
255
138.39
12900
3.2
11
225
121.42
13000
3.7
7.3
325
176.88
5280
0.90
 
3МП40
 
MS63L4
8.0
300
162.94
5420
1.00
9.3
255
139.99
5630
1.15
11
225
121.87
5770
1.35
11
210
114.17
5820
1.45
13
185
100.86
5900
1.60
14
172
93.68
5940
1.75
15
156
84.90
5980
1.90
17
140
76.23
6020
2.1
19
126
68.54
6050
2.4
20
118
64.21
6070
2.5
23
104
56.73
6090
2.9
25
97
52.69
6100
3.1
27
88
47.75
6080
3.4
9.6
250
134.82
2630
0.80
 
3МП31.5
 
MS63L4
11
225
123.66
4560
0.90
12
193
105.28
5030
1.05
14
167
90.77
5320
1.20
15
155
84.61
5420
1.30
 
3МП31.5
 
MS63L4
18
136
73.96
5590
1.45
19
127
69.33
5650
1.55
21
112
61.18
5750
1.80
23
102
55.76
5800
1.95
27
88
48.08
5870
2.3
29
82
44.81
5760
2.4
33
72
39.17
5540
2.8
35
67
36.72
5430
3.0
40
60
32.40
5230
3.4
0.37 квт
4.7
755
145.67
10500
1.10
 
3МП50
 
MS90S8
4.9
720
138.39
10800
1.15
5.6
630
121.42
11400
1.30
5.4
655
166.59
11200
1.25
 
3МП50
 
MS80K6
6.2
570
145.67
11700
1.45
6.5
545
138.39
11900
1.50
7.1
500
195.24
12100
1.65
 
3МП50
 
MS71MS4
8.3
425
166.59
12400
1.90
9.5
375
145.67
12600
2.2
10
355
138.39
12600
2.3
11
310
121.42
12800
2.6
13
265
102.99
12900
3.1
15
240
92.97
12900
3.5
9.9
360
139.99
3490
0.85
 
3МП40
 
MS71MS4
11
310
121.87
5350
0.95
12
290
114.17
5460
1.05
14
260
100.86
5630
1.15
15
240
93.68
5700
1.25
16
215
84.90
5790
1.40
18
195
76.23
5870
1.55
20
176
68.54
5930
1.70
21
164
64.21
5960
1.80
24
145
56.73
6010
2.1
26
135
52.69
5990
2.2
29
122
47.75
5820
2.5
32
110
42.87
5650
2.7
37
95
36.93
5410
3.2
40
89
34.73
5310
3.4
41
87
33.79
5270
2.8
44
80
31.12
5150
2.8
52
69
26.74
4920
4.4
59
60
23.28
4720
5.0
63
56
21.81
4620
5.4
15
230
90.77
4250
0.85
16
215
84.61
4720
0.90
 
3МП40
 
MS71MS4
19
189
73.96
5070
1.05
20
178
69.33
5210
1.15
 
3МП31.5
 
MS71MS4
23
157
61.18
5410
1.30
25
143
55.76
5530
1.40
29
123
48.08
5590
1.60
31
115
44.81
5480
1.75
35
100
39.17
5290
2.0
38
94
36.72
5190
2.1
43
83
32.40
5010
2.4
48
74
28.73
4850
2.7
57
63
24.42
4620
3.2
49
73
27.32
4830
2.8
53
67
26.03
4710
2.8
62
57
22.27
4500
3.5
71
49
19.31
4320
4.1
76
46
18.05
4230
4.3
88
40
15.60
4050
5.0
104
34
13.25
3850
5.6
117
30
11.83
3720
6.0
0.55 квт
8.2
645
166.59
11300
1.25
 
3МП50
 
MS80K4
9.3
565
145.67
11800
1.45
9.8
535
138.39
11900
1.55
11
470
121.42
12200
1.75
13
400
102.99
12500
2.1
15
360
92.97
12600
2.3
17
315
81.80
12800
2.6
18
300
77.24
12800
2.8
21
255
65.77
12900
3.2
15
360
93.68
3280
0.85
 
3МП40
 
MS80K4
16
330
84.90
5230
0.90
18
295
76.23
5450
1.00
20
265
68.54
5600
1.15
21
250
64.21
5670
1.20
24
220
56.73
5790
1.35
26
205
52.69
5770
1.45
28
184
47.75
5630
1.65
32
166
42.87
5470
1.80
37
143
36.93
5260
2.1
39
134
34.73
5180
2.2
46
115
29.88
4970
2.6
51
103
26.74
4820
2.9
58
90
23.28
4630
3.3
62
84
21.81
4550
3.6
22
235
61.18
3910
0.85
 
3МП31.5
 
MS80K4
24
215
55.76
4740
0.95
28
186
48.08
5120
1.10
30
173
44.81
5230
1.15
35
151
39.17
5070
1.30
37
142
36.72
4990
1.40
42
125
32.40
4840
1.60
47
111
28.73
4700
1.80
56
94
24.42
4500
2.1
61
86
22.27
4390
2.3
70
75
19.31
4220
2.7
75
70
18.05
4140
2.9
87
60
15.60
3970
3.3
103
51
13.25
3790
3.7
115
46
11.83
3670
4.0
Частота вращения выходного вала, об/мин
Крутящий момент, Нм
Передаточное число
Радиальная нагрузка, Н
Сервис-фактор
Тип мотор- редуктора
Электродвигатель IEC
0.75 квт
8.3
860
166.59
9490
0.95
 
3МП50
 
MS80N4
9.5
755
145.67
10500
1.10
10
720
138.39
10800
1.15
11
630
121.42
11400
1.30
13
535
102.99
11900
1.55
15
485
92.97
12200
1.70
17
425
81.80
12400
1.95
18
400
77.24
12500
2.0
21
340
65.77
12700
2.4
24
300
57.68
12800
2.7
27
270
52.07
12900
3.0
30
240
45.81
12900
3.5
32
225
43.26
13000
3.7
20
355
68.54
3660
0.85
 
3МП40
 
MS80N4
21
335
64.21
4950
0.90
24
295
56.73
5450
1.00
26
275
52.69
5480
1.10
29
250
47.75
5370
1.20
32
225
42.87
5240
1.35
37
192
36.93
5060
1.55
40
180
34.73
4980
1.65
46
155
29.88
4800
1.95
52
139
26.70
4660
2.2
58
122
23.59
4510
2.5
52
139
26.74
4660
2.2
59
121
23.28
4490
2.5
63
113
21.81
4420
2.7
72
100
19.27
4270
3.0
77
93
17.89
4180
3.1
85
84
16.22
4070
3.3
29
250
48.08
2330
0.80
 
3МП31.5
 
MS80N4
31
235
44.81
4230
0.85
35
205
39.17
4720
1.00
38
191
36.72
4740
1.05
43
168
32.40
4610
1.20
48
149
28.73
4490
1.35
57
127
24.42
4320
1.60
62
116
22.27
4230
1.75
71
100
19.31
4080
2.0
76
94
18.05
4010
2.1
88
81
15.60
3850
2.5
104
69
13.25
3690
2.8
117
61
11.83
3570
3.0
137
53
10.11
3420
3.2
146
49
9.47
3360
3.4
1.1 квт
12
910
121.42
8990
0.90
 
3МП50
 
MS90S4
14
775
102.99
10300
1.05
15
700
92.97
10900
1.20
17
615
81.80
11500
1.35
18
580
77.24
11700
1.40
21
495
65.77
12100
1.65
24
435
57.68
12400
1.90
27
390
52.07
12500
2.1
31
345
45.81
12700
2.4
32
325
43.26
12700
2.5
38
275
36.83
12900
3.0
42
250
33.47
12900
3.3
29
360
47.75
3500
0.85
 
3МП40
 
MS90S4
33
320
42.87
4850
0.95
38
275
36.93
4720
1.10
40
260
34.73
4660
1.15
47
225
29.88
4520
1.35
52
200
26.70
4410
1.50
59
177
23.59
4290
1.70
60
175
23.28
4270
1.70
64
164
21.81
4210
1.85
73
145
19.27
4080
2.0
78
134
17.89
4010
2.2
86
122
16.22
3910
2.3
96
109
14.56
3800
2.4
112
94
12.54
3650
2.7
119
89
11.79
3590
2.8
138
76
10.15
3450
3.0
154
68
9.07
3340
3.2
43
245
32.40
2900
0.80
 
3МП31.5
 
MS90S4
49
215
28.73
3300
0.95
57
183
24.42
3720
1.10
73
145
19.31
3840
1.40
78
135
18.05
3790
1.50
90
117
15.60
3660
1.70
106
99
13.25
3520
1.90
118
89
11.83
3430
2.1
139
76
10.11
3290
2.2
148
71
9.47
3230
2.3
176
60
7.97
3090
2.6
210
50
6.67
2920
2.9
247
43
5.67
2790
3.3
277
38
5.06
2700
3.5
1.5 квт
15
940
92.97
8500
0.85
 
3МП50
 
MS90L4
17
830
81.80
9820
1.00
18
785
77.24
10200
1.05
21
670
65.77
11100
1.25
24
585
57.68
11600
1.40
27
530
52.07
11900
1.55
31
465
45.81
12200
1.75
33
440
43.26
12300
1.85
38
375
36.83
12600
2.2
42
340
33.47
12700
2.4
49
295
29.00
12500
2.8
56
255
25.23
12000
3.0
60
240
23.37
11800
3.5
66
220
21.43
11500
3.8
75
191
18.80
11000
4.1
38
375
36.93
2380
0.80
 
3МП40
 
MS90L4
41
355
34.73
3840
0.85
47
305
29.88
4220
1.00
53
270
26.70
4140
1.10
60
240
23.59
4050
1.25
61
235
23.28
4040
1.25
65
220
21.81
3990
1.35
73
196
19.27
3890
1.50
79
182
17.89
3830
1.60
87
165
16.22
3740
1.65
97
148
14.56
3650
1.80
112
127
12.54
3520
1.95
120
120
11.79
3470
2.0
139
103
10.15
3340
2.2
155
92
9.07
3240
2.4
176
81
8.01
3140
2.5
 
3МП40
 
MS90L4
182
79
7.76
3060
2.1
203
71
6.96
2980
2.2
235
61
6.00
2860
2.6
250
57
5.64
2810
2.7
291
49
4.85
2700
3.0
325
44
4.34
2610
3.3
368
39
3.83
2520
3.7
73
196
19.31
2660
1.00
 
3МП31.5
 
MS90L4
78
183
18.05
2840
1.10
90
159
15.60
3160
1.25
106
135
13.25
3350
1.40
119
120
11.83
3270
1.50
140
103
10.11
3160
1.65
149
96
9.47
3110
1.75
177
81
7.97
2980
1.95
211
68
6.67
2820
2.1
249
58
5.67
2710
2.5
279
51
5.06
2630
2.6
326
44
4.32
2520
2.9
348
41
4.05
2470
3.0
414
35
3.41
2360
3.2
204
70
13.25
2880
2.7
 
3МП31.5
 
MS90S2
228
63
11.83
2790
2.9
267
54
10.11
2680
3.2
285
50
9.47
2630
3.3
339
42
7.97
2510
3.7

2.2квт

21
980
65.77
5470
0.85
 
3МП50
 
MS100M4
24
860
57.68
9540
0.95
27
775
52.07
10300
1.05
31
685
45.81
11000
1.20
33
645
43.26
11300
1.25
38
550
36.83
11800
1.50
42
500
33.47
12100
1.65
49
430
29.00
12100
1.90
56
375
25.23
11700
2.1
60
350
23.37
11400
2.3
66
320
21.43
11200
2.6
75
280
18.80
10800
2.8
79
265
17.82
10600
2.9
90
230
15.60
10200
3.2
100
210
14.05
9910
3.4
73
285
19.27
3550
1.05
 
3МП40
 
MS100M4
87
240
16.22
3460
1.15
97
215
14.56
3400
1.20
112
187
12.54
3310
1.35
120
176
11.79
3270
1.40
139
151
10.15
3160
1.50
155
135
9.07
3090
1.65
176
119
8.01
3000
1.70
182
116
7.76
2910
1.40
203
104
6.96
2840
1.55
235
89
6.00
2740
1.75
250
84
5.64
2700
1.85
291
72
4.85
2600
2.1
325
65
4.34
2530
2.3
368
57
3.83
2440
2.5
117
179
23.28
3280
1.70
 
3МП40
 
MS90L2
125
168
21.81
3230
1.80
142
148
19.27
3150
2.0
153
138
17.89
3100
2.1
168
125
16.22
3030
2.2
187
112
14.56
2950
2.4
218
97
12.54
2850
2.6
231
91
11.97
2800
2.7
269
78
10.15
2700
2.9
301
70
9.07
2620
3.2
341
62
8.01
2530
3.3
90
230
15.60
1070
0.85
 
3МП31.5
 
MS100M4
106
198
13.25
1660
0.95
119
176
11.83
1990
1.05
140
151
10.11
2360
1.15
149
141
9.47
2480
1.20
177
119
7.97
2750
1.30
211
99
6.67
2470
1.45
249
84
5.67
2570
1.70
279
75
5.06
2500
1.80
326
64
4.32
2410
1.95
348
60
4.05
2370
2.0
414
51
3.41
2270
2.2
141
149
19.31
2380
1.35
 
3МП31.5
 
MS90L2
151
139
18.05
2510
1.45
175
120
15.60
2740
1.65
206
102
13.25
2720
1.85
231
91
11.83
2650
2.0
270
78
10.11
2550
2.2
288
73
9.47
2510
2.3
 
3МП31.5
 
MS90L2
342
61
7.97
2410
2.5
409
51
6.67
2280
2.8
482
44
5.67
2180
3.3
540
39
5.06
2120
3.5
632
33
4.32
2030
3.8
675
31
4.05
1990
3.9
801
26
3.41
1900
4.3

3.0 квт

31
940
45.81
8670
0.85
 
3МП50
 
MS100L4
32
890
43.26
9270
0.95
38
755
36.83
10500
1.10
42
685
33.47
11000
1.20
48
595
29.00
11600
1.40
55
515
25.23
11300
1.50
60
480
23.37
11100
1.70
65
440
21.43
10800
1.85
74
385
18.80
10500
2.0
79
365
17.82
10300
2.1
90
320
15.60
9980
2.3
100
290
14.05
9700
2.5
114
250
12.33
9350
2.7
129
225
10.88
9030
3.0
145
197
9.64
8720
3.2
163
176
8.59
8500
3.6
181
158
7.74
8240
4.2
86
330
16.22
2030
0.85
 
3МП40
 
MS100L4
96
300
14.56
2500
0.90
112
255
12.54
3040
0.95
119
240
11.79
3040
1.00
138
210
10.15
2970
1.10
154
186
9.07
2910
1.20
175
164
8.01
2840
1.25
181
159
7.76
2740
1.05
201
143
6.96
2680
1.10
233
123
6.00
2610
1.25
248
115
5.64
2580
1.35
288
99
4.85
2490
1.50
323
89
4.34
2430
1.65
365
78
3.83
2360
1.85
237
121
11.79
2670
2.0
 
3МП40
 
MS100M2
270
104
10.15
2580
2.2
309
93
9.07
2510
2.4
349
82
8.01
2430
2.5
496
58
5.64
2190
2.7
 
3МП40
 
MS100M2
577
50
4.85
2100
3.0
646
44
4.34
2040
3.3
731
39
3.83
1970
3.7
139
205
10.11
780
0.80
 
3МП31.5
 
MS100L4
148
194
9.47
1010
0.85
176
163
7.97
1510
0.95
210
137
6.67
1250
1.05
247
116
5.67
1630
1.25
277
104
5.06
1830
1.30
324
88
4.32
2070
1.45
346
83
4.05
2140
1.45
411
70
3.41
2180
1.60
277
103
10.11
2340
1.65
 
3МП31.5
 
MS100M2
296
97
9.47
2380
1.70
351
82
7.97
2290
1.90
420
68
6.67
2170
2.1
494
58
5.67
2090
2.5
553
52
5.06
2030
2.6
648
44
4.32
1950
2.8
692
41
4.05
1920
3.0
821
35
3.41
1840
3.2
Частота вращения выходного вала, об/мин
Крутящий момент, Нм
Передаточное число
Радиальная нагрузка, Н
Сервис-фактор
Тип мотор- редуктора
Электродвигатель IEC
4.0квт
39
990
36.83
4070
0.85
3МП50
MS112M4
42
900
33.47
9100
0.90
49
780
29.00
10300
1.05
56
680
25.23
10800
1.15
61
630
23.37
10600
1.30
66
575
21.43
10400
1.40
76
505
18.80
10100
1.55
80
480
17.82
9950
1.65
91
420
15.60
9630
1.75
101
380
14.05
9380
1.90
115
330
12.33
9070
2.1
131
295
10.88
8780
2.3
147
260
9.64
8500
2.4
165
230
8.59
8320
2.7
183
210
7.74
8070
2.9
209
183
6.79
7770
3.2
237
161
5.99
7490
3.3
267
143
5.31
7230
3.6
140
275
10.15
1960
0.85
3МП40
MS112M4
157
245
9.07
2350
0.90
177
215
8.01
2640
0.95
252
152
5.64
2410
1.00
3МП40
MS112M4
293
131
4.85
2350
1.15
327
117
4.34
2300
1.25
371
103
3.83
2250
1.40
176
215
16.22
2640
1.25
3МП40
MS112M2
196
195
14.56
2600
1.35
228
168
12.54
2540
1.50
242
158
11.79
2510
1.55
282
136
10.15
2440
1.70
315
121
9.07
2390
1.80
357
107
8.01
2320
1.90
369
104
7.76
2250
1.55
411
93
6.96
2200
1.70
477
80
6.00
2130
1.95
507
75
5.64
2100
2.1
589
65
4.85
2020
2.3
660
58
4.34
1970
2.5
746
51
3.83
1910
2.8
5.5квт
76
690
18.80
9240
1.15
3МП50
MS132S4
80
655
17.82
9400
1.20
92
575
15.60
9150
1.30
102
515
14.05
8950
1.40
116
455
12.33
8690
1.50
131
400
10.88
8440
1.65
148
355
9.64
8190
1.80
166
315
8.59
8080
2.0
185
285
7.74
7860
2.2
211
250
6.79
7580
2.3
239
220
5.99
7320
2.5
269
195
5.31
7070
2.6
295
178
4.85
1870
0.85
3МП40
MS132S4
330
159
4.34
2110
0.90
373
141
3.83
2080
1.00
230
230
12.54
1730
1.10
3МП40
MS132S2
244
215
11.79
1910
1.15
284
185
10.15
2250
1.25
318
165
9.07
2220
1.35
359
146
8.01
2170
1.40
480
109
6.00
2000
1.45
511
103
5.64
1970
1.50
593
89
4.85
1920
1.70
664
79
4.34
1870
1.85
752
70
3.83
1820
2.1
7.5квт
76
940
18.80
5310
0.85
3МП50
MS132M4
80
890
17.82
5720
0.85
92
780
15.60
6610
0.95
102
705
14.05
7180
1.00
116
615
12.33
7750
1.10
131
545
10.88
8010
1.20
148
485
9.64
7810
1.30
166
430
8.59
7620
1.45
185
390
7.74
7590
1.55
211
340
6.79
7340
1.70
239
300
5.99
7110
1.80
269
265
5.31
6890
1.90
9.2квт
102
860
14.05
4740
0.85
3МП50
MS132ML4
117
750
12.33
5610
0.90
132
665
10.88
6280
1.00
149
590
9.64
6800
1.05
186
470
7.74
6300
1.30
212
415
6.79
6720
1.40
240
365
5.99
6920
1.50
271
325
5.31
6720
1.55
11.0 квт
132
795
10.88
4250
0.85
3МП50
MS160M4
149
705
9.64
5000
0.90
186
565
7.74
4630
1.10
212
495
6.79
5250
1.15
240
435
5.99
5720
1.25
271
390
5.31
6090
1.30

 

Монтажное исполнение

Монтажное исполнение

Двухступенчатые цилиндрические редукторы 1Ц2У-100, 1Ц2У-125, 1Ц2У-160, 1Ц2У-200, 1Ц2У-250

Одноступенчатые цилиндрические редукторы серии ЦУ-100, ЦУ-160, ЦУ-200, ЦУ-250

Двухступенчатые цилиндрические редукторы серии 1Ц2У-315Н, 1Ц2У-355Н, 1Ц2У-400Н, 1Ц2Н-450, 1Ц2Н-500

Трехступенчатые цилиндрические редукторы ЦЗУ-160, ЦЗУ-200, ЦЗУ-250

Одноступенчатые червячные редукторы серии 1Ч-63А

Одноступенчатые червячные редукторы Ч-100, Ч-125, Ч-160

Одноступенчатые червячные редукторы 1Ч-160

Двухступенчатые редукторы Ч2-160

Редукторы червячные одноступенчатые 4Ч-80

Одноступенчатые червячные редукторы Ч-80

Одноступенчатые червячные редукторы 2Ч-40, 2Ч-63, 2Ч-80

Цилиндрические соосные мотор-редукторы MTC A

Цилиндрические соосные мотор-редукторы R (RF)

Двухступенчатые мотор-редукторы 4МЦ2С, 4МЦ2С-63, 4МЦ2С-80, 4МЦ2С-100, 4МЦ2С-125

Цилиндрические мотор-редукторы 1МЦ2С, 1МЦ2С-63, 1МЦ2С-80, 1МЦ2С-100, 1МЦ2С-125

Цилиндрические плоские мотор-редукторы серии F

Мотор-редукторы планетарные тип: 3МП-31,5; 3МП-40; 3МП-50; 3МП-63; 3МП-80; 3МП-100; 3МП-125

Мотор-редукторы планетарные двухступенчатые МПО2М-10, МПО2М-15

Мотор-редукторы планетарные одноступенчатые типа МПО1М-10

Мотор-редукторы планетарные МРВ-02 и МРВ-04

Волновые мотор-редукторы ЗМВз

Цилиндро-конические мотор-редукторы K

 

 
© 2014 Редукторы, мотор-редукторы, устройства плавного пуска, преобразователи частоты