Одноступенчатые червячные мотор-редукторы TRAMEC серии XC: характеристики, устройство, принцип работы, цена

Мотор-редукторы TRAMEC серии XC

Мотор-редукторы серии XC производства Tramec считаются одними из лучших в мире по соотношению цена-качество. Серия представлена восьми типоразмерами с передаточным отношением в пределах 5 – 100. Редукторы комплектуются стандартными асинхронными электродвигателями мощностью от 0,06 до 15 кВт. Момент, развиваемый на выходном валу в пределах 4-3000Нм. Корпуса редукторов изготовлены из высокопрочного материала по технологии литья под высоким давлением. Более подробные условия эксплуатации редукторов серии MU можно узнать, ознакомившись с рекомендациями производителей и разработчиков.

 

Система обозначения червячных мотор-редукторов серии MU

XC
40
– 10
– 140
– F1
– B3
– 0,55
– 32
– 380
– 50
(4P)
1
2
3
4
5
6
7
8
9
10
11

1 – Cерия редуктора (XC )

2 – Межосевое расстояние, мм (30, 40, 50, 63, 75, 90, 110, 130)

3 – Номинальное передаточное отношение редуктора

4 – Число оборотов выходного вала , об/мин

5 – Фланец на выходном валу редуктора (F1, F2, F3)

6 – Монтажное положение (В3, В6, В7, В8, V5, V6)

7 – Мощность электродвигателя , кВт

8 – Крутящий момент на выходном валу, Nm

9 – Напряжение питания электродвигателя, V

10 – Частота питающей сети, Гц

11 – Количество полюсов электродвигателя (2, 4, 6)

 

Выходные обороты и мощность электродвигателей (кВт) pdf.

 

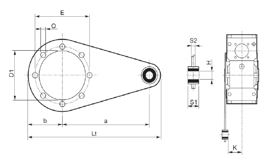
Габаритные и присоединительные размеры

 

Реактивная штанга, выходной вал - размеры

Монтажные положения и количество масла, заливаемого в мотор-редукторы XC

Вес червячных редукторов серии XC, кг

 

Габаритные и присоединительные размеры XC

Реактивная штанга, выходной вал

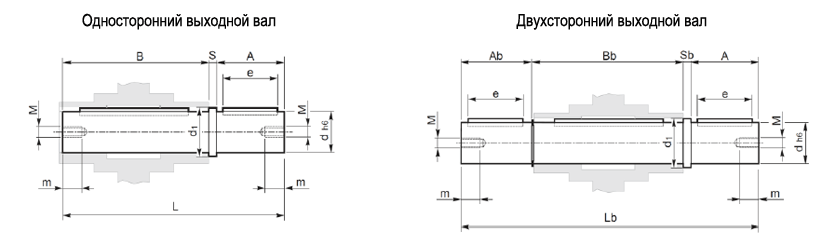
выходной вал

XC
A
Ab
B
Bb
d h6
d1
e
L
Lb
M
m
S
Sb
XC30
30
29
62
64
14
18,5
20
94,5
126
M6
16
2,5
2,5
XC40
40
39
77
79
18
23,5
30
120
161
M6
16
3
3
XC50
50
49
90
93
25
31,5
40
143,5
195,5
M8
22
3,5
3,5
XC63
50
49
111
113
25
31,5
40
165
216
M8
22
4
4
XC75
60
59
119
121
28
34,5
50
183
244
M8
22
4
4
XC90
80
78,5
139
141,5
35
41,5
60
224
305
M10
28
5
5
XC110
80
77,5
154,5
157
42
49,5
60
242,5
322,5
M10
28
8
8
XC130
80
78
168
172
45
54,5
70
253
335
M16
36
5
5

Реактивная штанга

XC
a
b
D1
E
H
K
Lt
O
S1
S2
XC30
85
37,5
55
65
8
24
141,5
7
14
4
XC40
100
45
60
75
10
31,5
167
7
14
4
XC50
100
50
70
85
10
39
172
9
14
5
XC63
150
55
80
95
10
49
227
9
14
6
XC75
200
70
95
115
20
47,5
302
9
25
6
XC90
200
80
110
130
20
57,5
312
11
25
6
XC110
250
100
130
165
25
62
390
11
30
6
XC130
250
125
180
215
25
69
415
13
30
6

 

 

Назад

 

Монтажные положения и количество масла, заливаемого в мотор-редукторы XC

Монтажные положения и количество масла, заливаемого в мотор-редукторы XC

 

Положение клемной коробки эл.двигателя

Положение клемной коробки эл.двигателя

Назад

Вес червячных редукторов серии XC, кг

XC30
0,9
XC40
2
XC50
3
XC63
5
XC75
8
XC90
13
XC110
35
XC130
48

 

 

 
© 2014 Редукторы, мотор-редукторы, устройства плавного пуска, преобразователи частоты