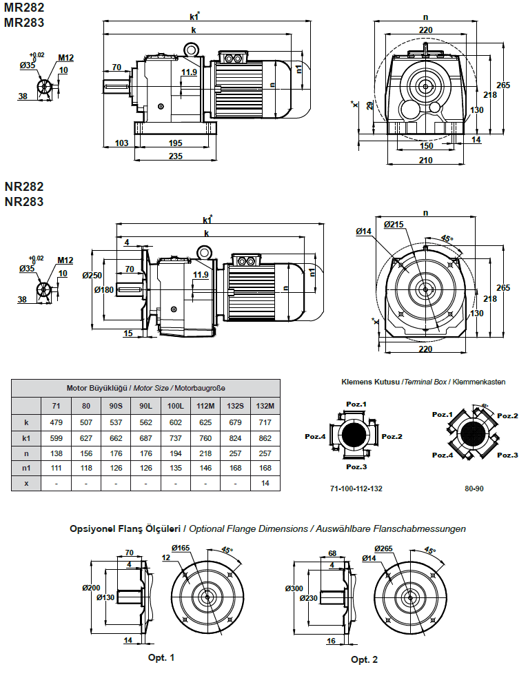
Габаритные и присоединительные размеры MR282, MR283 (MRF282, MRF283)
Назад
Назад
© 2014 Редукторы, мотор-редукторы, устройства плавного пуска, преобразователи частоты