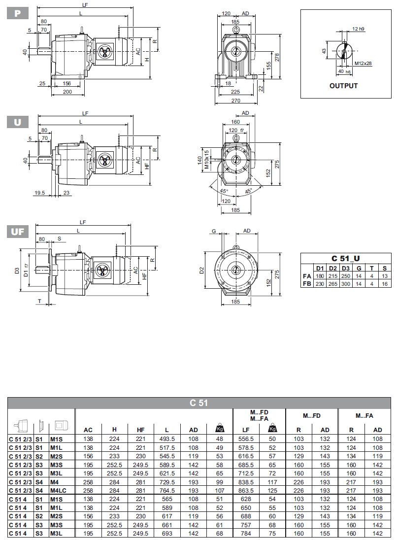
Габаритно-присоединительные размеры C 51

 

Назад

 

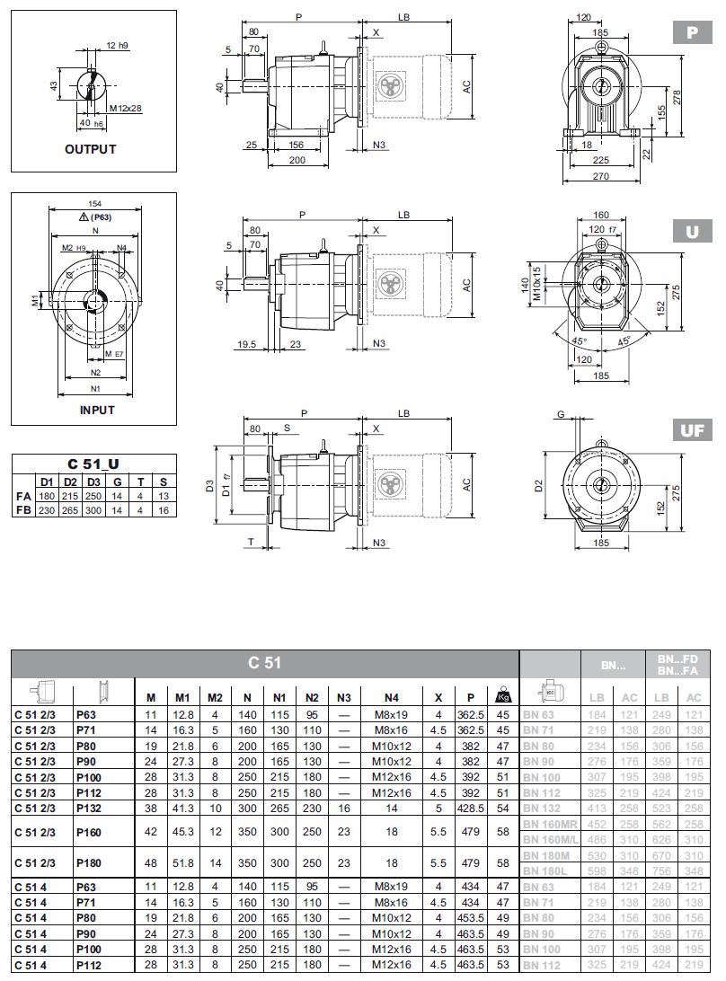
Габаритно-присоединительные размеры C 51

Назад

 
© 2014 Редукторы, мотор-редукторы, устройства плавного пуска, преобразователи частоты